泵  类  热  线:186   6233  5878

设  备  热  线186   6257  6793

苏州埃立特流体设备有限公司

20年专注提供高品质泵

全国服务热线0512-6280 9108

当前位置:
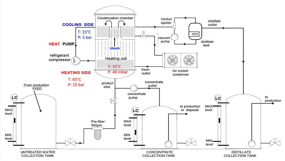
真空蒸发分离系统 

  • 减少废水排放量,降低废水处理成本
  • 真空设备,杜绝了向大气排放气体
  • 可根据用户需求定制解决方案
  • 拥有30年经验并在全球34个国家/地区成功应用
  • ISO 9001,PED和F-Gas认证,荣获巴黎欧洲技术创新奖
  • 运营成本低,易于操作和维护
  • 无化学操作,对产品或待处理废水的纯度要求低



  • 结构:真空密封蒸发室
  • 热源:热泵回路或余热回收
  • 耐腐蚀

系统概述
工作原理

ECOPRIMA K型


浸入式热交换器(蛇形),由不锈钢316L(EN.1.4404)制成


ECOPRIMA CR型


由特殊材料(超双相、钛、HALAR涂层等)制造,适用于处理具

有腐蚀性的介质


ECOPRIMA TR型


可将介质浓缩至浑浊稠度,配有搅拌器/刮刀,用于清洁换热器表面


ECOPRIMA WS型


无需热泵回路,节约电能


ECOPRIMA 多级蒸发器


蒸汽释放的潜热在第二(或第三)个绝对压力较低的沸腾室中回收(使用热泵或外部能量回收)


相关资讯
  • 暂无相关记录!